Hoja de datos
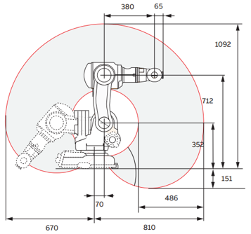
The IRB 120 robot is the latest addition to ABB’s new fourthgeneration of robotic technology. It is ideal for material handling and assembly applications and provides an agile, compact and lightweight solution with superior control and path accuracy.




